首页 / 新闻资讯 / 行业新闻 / 变频器:安装、故障排除和实际应用
行业新闻

变频器:安装、故障排除和实际应用

行业新闻-

摘要

变频器作为现代工业驱动和电源管理系统的核心器件,广泛应用于电机调速、节能降耗、过程控制等领域。然而,在安装、调试、日常操作和维护过程中,由于操作不当、环境因素或参数设置不正确,经常出现各种故障,严重影响生产连续性和设备使用寿命。本文从工程实践的角度,对安装前的准备工作、标准安装流程、调试要点、运行过程中常见故障的原因分析及排除进行了系统的梳理。结合行业应用场景,探讨典型问题的解决方案。本文旨在为工程技术人员提供清晰详细的技术参考,帮助企业实现变频器系统的高效稳定运行。

关键词: 变频器 ;安装调试;故障排除;过热保护;谐波干扰;参数设置;节能控制

简介

随着工业自动化程度的不断提高,变频器已成为电机驱动系统中不可或缺的核心部件。通过调节输出电压和频率,实现电机转速的精确控制,在风机、水泵、压缩机、输送机等设备中发挥着关键作用。据行业统计,变频器的合理应用可为电机系统节能20%~60%,显着降低企业运营成本。

然而,变频器的性能与其安装质量、参数配置和日常维护密切相关。安装不当可能导致电磁干扰和过热跳闸;参数错误可能会导致电机堵转或过载保护;疏忽维护可能会导致设备过早老化甚至损坏。面对上述挑战,系统化、标准化的安装、调试和故障处理体系显得尤为重要。

浙江尼纳电气有限公司 深耕变频器领域多年,积累了丰富的工程应用经验。结合公司技术团队的实践经验,从安装规范、常见故障分析和实际应用问题三个维度系统总结了变频器全生命周期的技术要点,供工程技术人员参考。

安装前准备

2.1 选型及规格验证

安装前请确认变频器的额定参数与所驱动电机及负载特性相匹配。关键验证点:

  • 额定输出功率(kW)≥电机额定功率
  • 额定电压与输入电源一致(三相380V或单相220V)
  • 额定电流:电机满载电流的1.1~1.2倍
  • 过载能力(150%×60s或120%×60s)满足负载要求
  • 控制方式(V/F、矢量控制、DTC)符合工艺要求

2.2 安装环境要求

变频驱动器对其安装环境提出了严格的要求;不利的环境是设备故障的主要原因之一。标准安装环境要求如下:

环境参数

标准要求

备注

工作温度

-10℃~40℃

40°C 以上降额

相对湿度

≤ 90%(非冷凝)

防止凝结腐蚀

海拔高度

≤1000m

超过则降额

振动和冲击

≤ 5.9m/s² (0.6g)

避免高振动机器

防护等级

IP20或以上

IP54 适用于多尘/潮湿环境

散热空间

顶部/底部≥150mm,正面≥300mm

确保通风

2.3 工具和消耗品

  • 绝缘螺丝刀(一字/十字)
  • 数字万用表
  • 接地电阻测试仪
  • 扭力扳手
  • 屏蔽电缆
  • 热缩管、冷压端子、电线标记
  • 电气图纸及操作手册

标准安装流程

3.1 机械安装

  1. 在控制柜上标记安装孔并保持水平。
  2. 用膨胀螺栓或机柜导轨固定。
  3. 并排安装:水平间距≥50mm;带挡板的垂直堆叠。
  4. 大功率机型(≥45kW):在通风良好的地方外接制动电阻。

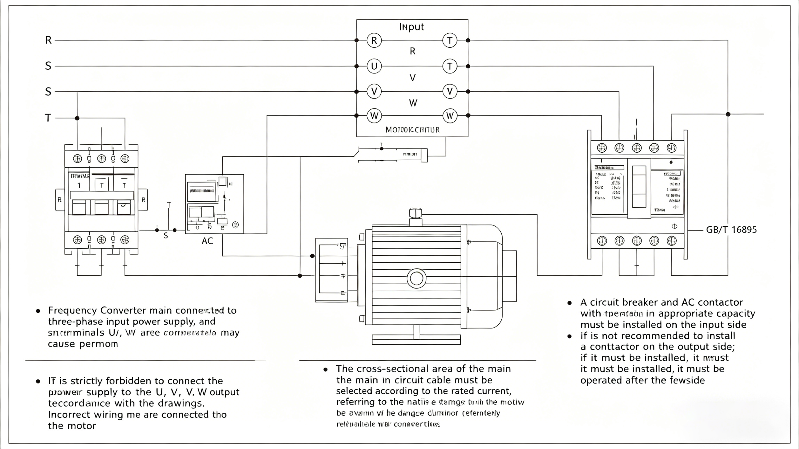
3.2 电气接线

3.2.1 主电路接线

  • R/S/T:输入功率; U/V/W:电机输出。
  • 请勿将电源连接至 U/V/W(会损坏逆变器)。
  • 电缆截面按额定电流(GB/T 16895)选择。
  • 输入侧:断路器和接触器。
  • 输出侧:不推荐接触器;如果使用,必须在逆变器停止后才能切换。

3.2.2 控制电路接线

  • 控制电缆与动力电缆分开走线,间距≥200mm。
  • 模拟信号(0-10V/4-20mA):屏蔽双绞线,单端接地(逆变器侧)。
  • 通讯电缆(RS485/Modbus):阻抗匹配的专用屏蔽双绞线。
  • 将端子拧紧至规定扭矩。

3.2.3 接地规范

  • PE端子与系统接地网相连,电阻≤10Ω。
  • 接地线≥主相线的1/2,≥4mm²。
  • 逆变器外壳、电机外壳、机柜金属件:独立可靠接地。
  • 请勿与焊接或大功率设备共用接地。

上电调试

4.1 上电前检查表

首次上电前,必须对以下项目进行一一核对,以免上电损坏:

检查项目

内容

状态

接线验证

R/S/T输入,U/V/W输出正确

□ 已确认

绝缘测试

主回路对地≥5MΩ(500V兆欧表)

□ 已确认

接地检查

PE可靠接地,电阻≤10Ω

□ 已确认

电压确认

输入电压与铭牌相符

□ 已确认

电机参数

记录额定功率/电压/电流/频率

□ 已确认

散热检查

风扇已安装,通风口畅通无阻

□ 已确认

紧固检查

所有端子均已拧紧至扭矩

□ 已确认

4.2 基本参数设置

  • 电机额定功率(P01)
  • 电机额定电压(P02)
  • 电机额定电流(P03)
  • 电机额定频率(P04,典型值为50Hz)
  • 电机额定转速(P05)
  • 加速时间(P08):重载时≥10s
  • 减速时间(P09)
  • 最大输出频率(P11):通常为50Hz

4.3 电机自学习

对于矢量控制,进行自整定以获得定子电阻、转子时间常数等。

  • 电机与负载连接或断开
  • 电机铭牌参数正确设置
  • 确保短时间操作时的安全

常见故障分析及排除

5.1 过热保护(OHT/OH)

故障:过热码、自动停机、机壳温度高。 原因:环境温度高;风扇故障/堵塞;空间不足;超载;散热片上有灰尘。解决办法:改善通风;更换风扇;清洁散热片;检查负载;调整安装间距。

5.2 过载/过流(OL/OC)

故障:频繁跳闸,特别是启动时。 原因:机械卡死;加速时间太短;电机电流错误;传输失败;逆变器尺寸过小。解决方案:清除卡纸;延长加速时间;正确的参数;更换零件;升级逆变器容量。

5.3 输出电压不稳定(UV/LV)

故障现象:速度波动、抖动、噪声、欠压故障。 产生原因:电压波动大;直流母线电容老化;接触不良;电网谐波。解决方案:安装稳压器/UPS;检查电容器;拧紧端子;添加AC电抗器/EMC滤波器。

5.4 谐波干扰

故障:仪表/PLC异常;运行不稳定;电网干扰。解决办法:输入交流电抗器;输出dV/dt滤波器;屏蔽电缆;金属屏蔽;适用于高次谐波场所的AFE逆变器。

5.5 通讯与控制故障

故障:PLC通讯丢失、Modbus/Profibus错误。原因:参数不匹配;接线错误;缺少120Ω电阻;接地不良;固件不兼容。解决方案:验证参数;检查接线;添加终端电阻;改善接地;更新固件。

5.6 电机不转/速度异常

故障现象

变频器无故障码显示,但电机无法启动;或者工作频率与设定值偏差较大。

常见原因及对策

故障现象

可能的原因

解决方案

设定频率但电机不运转

启动命令源错误

检查面板/端子/通讯

电机反转

U/V/W 相位交换

交换电线或更改方向参数

低速

低模拟信号

检查输入信号

突然停止

过载/过热/欠压

检查故障码

加速时跳闸

加速时间太短

延长加速时间

低速低扭矩

V/F曲线不当

增加扭矩补偿或采用矢量控制

典型应用问题及解决方案

6.1 风机/水泵:节能优化

  • 压力波动:采用PID闭环控制
  • 空化:最小频率≥25Hz
  • 响应慢:调整PID参数
  • 多泵切换:带外部控制器的软切换

6.2 起重/起重:制动和安全

  • 匹配制动单元及电阻
  • 直流制动功能,防止打滑
  • 防失速功能
  • 与变频器输出机械制动联锁

6.3 长距离电缆驱动(>50m)

  • 安装输出交流电抗器
  • 安装 dV/dt 滤波器
  • 变频器与电机共地

6.4 高温/粉尘环境

  • IP54或带正压通风的密封柜
  • 柜式空调/热交换器
  • 每季度清洁散热器和 IGBT
  • 适用于重度粉尘的水冷逆变器

6.5 多电机并联驱动

  • 逆变器电流≥电机电流之和×1.1
  • 每台电机独立热继电器
  • 每个电机的电缆长度相似
  • 使用V/F控制(非矢量控制)

预防性维护

预防性维护是延长变频器使用寿命和降低非计划停机率的最经济手段。建议制定以下维护计划:

循环

项目

详情

每日

监控操作

记录电流、温度、频率

每月

外观及环境

清洁通风口,检查温度/湿度

季刊

深度清洁

清洁散热器,检查风扇

每半年一次

电气检查

拧紧端子,测试绝缘

每年

大修

检查电容器,更换风扇(每 3 年一次)

按需

固件升级

更新修复和改进

电解电容:使用寿命5-10年;建议预防性更换。

结论

变频器的高效稳定运行取决于选型、安装、调试、维护等各个环节的标准化管理。本文系统总结了过热、过载、电压不稳、谐波干扰、通讯故障、电机异常六种常见故障的安装规范、调试流程和排除方法。针对风机/泵、起重、长距离驱动、恶劣环境、多电机并联应用提出针对性的工程解决方案。

浙江尼纳电气有限公司提供专业的技术支持和售后服务。我们的工程师拥有丰富的现场调试经验,可以为各种工业应用提供定制化的解决方案。

随着工业物联网与智能制造的融合,变频器将向更高的智能化、网络化方向发展:实时监控、预测性维护、云远程诊断将成为标配。掌握当前的安装和故障排除技巧是智能驱动时代的重要基础。

参考文献

[1]电机厂网.排除常见变频器问题。浙江力工电机股份有限公司行业动态,2025。

[2] 安赫兹驱动器。排除变频器运行中的常见问题。安赫兹驱动(深圳)有限公司,2024。

[3] 坎隆电气。解决变频器调试问题的实用技巧。 Canroon 行业洞察,2025 年。

[4]GoHz。变频器常见故障排除。 GoHz 技术资源,2024 年。

[5] 澳大利亚税务局。变频器技术支持。 ATO 技术文档,2024 年。

[6] GB/T 12668.5-2013。 Speed 电气驱动系统第 5 部分:安全要求。

[7] IEC 61800-5-1:2022。可调速电力驱动系统 – 第 5-1 部分:安全要求。